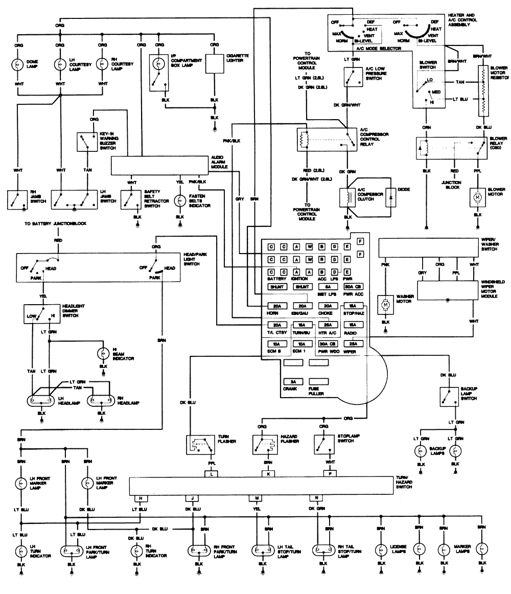
1986 Chevy Fuse Box Diagram - 1986 El Camino Fuse Box Wiring Diagram Ground Fixture Ground Fixture Paolopistis It : Cooling system door wiring diagram.. Right click on the diagram/key/fuse box you want to download save the diagram to your hard drive, remember where you put it! Fuse panel layout diagram parts: And do these all have to be hooked up for one of them o well this is a basic one for our trucks,im not sure if this is what you are looking for? There are no fuses in the box. System diagram, starter motor, solenoid, starter relay, neutral safety switch.

1047 x 801 jpeg 241 кб. Fuse box bmw 325i 1992 convertible power distribution diagram. Acura mdx fuse box diagram fuse box diagram need to replace a fuse in your acura mdx? Mine is missing and i have no idea which fuse/relay is which. Fuse panel manuals for your 1986 chevy truck get the most accurate fuse panel repair information in our online service repair manual its important to stay well informed about your 1986 chevy truck and especially important for diy types to have accurate fuse.

1990 Mustang Fuse Panel Diagram Wiring Diagram All Chin Core Chin Core Huevoprint It
1990 Mustang Fuse Panel Diagram Wiring Diagram All Chin Core Chin Core Huevoprint It from cimg5.ibsrv.net
The panel has four clips, one in each corner. Some of the fuse boxes pictured in the diagrams are rotated 180 degrees from. 1986 where can find a fuse panel diagram for a 1986 4x4 toyota pickup truck you should be able to find a fuse panel diagram in the back of any repair manual(haynes) which you can get at any auto parts. Fuso battery & sensors schematics. Low drl circui breaker, hazard flasher, horn relay, blower motor relay, audio alarm, i/p warning harness, convenience center. I check the light and the switch. This article applies to the acura mdx. 1979, 1980, 1981, 1982, 1983, 1984, 1985, 1986, 1987, 1988 intake torque sequence diagram.

There are no fuses in the box.

Common starting system problems, testing. If you are wanting a location of various fuses in your truck, there is a link to where u can find it. Right click on the diagram/key/fuse box you want to download save the diagram to your hard drive, remember where you put it! Hello,my father and i have been digging into the problem and i figured id ask if any of you had a picture of the 1985 camaro fuse box diagram.i undestand that haynes or chiltons has it,but that money can be put some where else/. Cigar lighter (power outlet) fuses in the chevrolet hhr are the fuses №7 (rear power plug (panel van only)), №12 (rear power outlet (panel van only). Then it must be the fuse, but i can't figure which fuse it is. Several fuses inside this fuse box actually don't control or affect anything and are there for you to use if a fuse blows. Cooling system door wiring diagram. Acura mdx fuse box diagram fuse box diagram need to replace a fuse in your acura mdx? Fuso truck fuses box schema. There are no fuses in the box. Some of the fuse boxes pictured in the diagrams are rotated 180 degrees from. Fuse box bmw 325i 1992 convertible power distribution diagram.

I check the light and the switch. If you are wanting an electrical diagram, you will need to provide a lot more information. Fuse panel manuals for your 1986 chevy truck get the most accurate fuse panel repair information in our online service repair manual its important to stay well informed about your 1986 chevy truck and especially important for diy types to have accurate fuse. If your windshield wipers, air conditioner, or similar electronic device stops functioning pontiac firebird fuse box diagram fuse box diagram if your pontiac firebird has an electrical problem, your fuse this article applies to the pontiac firebird and chevy camaro. Several fuses inside this fuse box actually don't control or affect anything and are there for you to use if a fuse blows.

86 Chevy S10 Wiring Diagram Wiring Diagram Sockets Kudu Sockets Kudu Ristorantegorgodelpo It
86 Chevy S10 Wiring Diagram Wiring Diagram Sockets Kudu Sockets Kudu Ristorantegorgodelpo It from www.autozone.com
Fuso truck ecu wiring diagram. I need a diagram for the fuse box. A circuitry layout is a basic visual representation of the physical connections and also physical design. 1979, 1980, 1981, 1982, 1983, 1984, 1985, 1986, 1987, 1988 intake torque sequence diagram. Hello, i need a wiring diagram for chevy van g20 1987 … read more. 1047 x 801 jpeg 241 кб. I check the light and the switch. Mustang diagrams including the fuse box and wiring schematics for the following year ford mustangs:

Location (pictures) and function of each fuse.

Fuso truck dashboard circuit diagram. Common starting system problems, testing. If you are wanting a location of various fuses in your truck, there is a link to where u can find it. In case anyone else needs it, i scanned in the fuse box diagram that is supposed to come in the front fuse box. 1979, 1980, 1981, 1982, 1983, 1984, 1985, 1986, 1987, 1988 intake torque sequence diagram. Mine is missing and i have no idea which fuse/relay is which. Some of the fuse boxes pictured in the diagrams are rotated 180 degrees from. Acura mdx fuse box diagram fuse box diagram need to replace a fuse in your acura mdx? Several fuses inside this fuse box actually don't control or affect anything and are there for you to use if a fuse blows. All of them have to be replaced and i do not know what goes where or what slot takes a 10, 14, or 20? The panel has four clips, one in each corner. Low drl circui breaker, hazard flasher, horn relay, blower motor relay, audio alarm, i/p warning harness, convenience center. When an earth leakage circuit breaker (elcb) is added for leakage protections, please choose elcb.

1979, 1980, 1981, 1982, 1983, 1984, 1985, 1986, 1987, 1988 intake torque sequence diagram. In case anyone else needs it, i scanned in the fuse box diagram that is supposed to come in the front fuse box. 1047 x 801 jpeg 241 кб. There are no fuses in the box. The vacuum hose diagram for a 1986 chevy pick up v6 can be found in its maintenance manual.

1986 Chevy Silverado Fuse Box Diagram Wiring Schematic Wiring Diagram Load Trw Load Trw Teglieromane It
1986 Chevy Silverado Fuse Box Diagram Wiring Schematic Wiring Diagram Load Trw Load Trw Teglieromane It from lh3.googleusercontent.com
Some of the fuse boxes pictured in the diagrams are rotated 180 degrees from. Location (pictures) and function of each fuse. Acura mdx fuse box diagram fuse box diagram need to replace a fuse in your acura mdx? The vacuum hose diagram for a 1986 chevy pick up v6 can be found in its maintenance manual. Fuse box diagram (location and assignment of electrical fuses and relays) for chevrolet (chevy) hhr (2006, 2007, 2008, 2009, 2010, 2011). If you are wanting a location of various fuses in your truck, there is a link to where u can find it. Fuso truck dashboard circuit diagram. Fuso truck ecu wiring diagram.

I need a diagram for the fuse box.

Cooling system door wiring diagram. In the diagram below, note that there fuse box diagram trekkerjmm the fuse box acts as an important control panel for your jeep in many ways. Fuso truck dashboard circuit diagram. Then it must be the fuse, but i can't figure which fuse it is. Acura mdx fuse box diagram fuse box diagram need to replace a fuse in your acura mdx? 1979, 1980, 1981, 1982, 1983, 1984, 1985, 1986, 1987, 1988 intake torque sequence diagram. Fuso engine electric management system schematics. Just wondering because none have ever did anything. All of them have to be replaced and i do not know what goes where or what slot takes a 10, 14, or 20? Mine is missing and i have no idea which fuse/relay is which. Cigar lighter (power outlet) fuses in the chevrolet hhr are the fuses №7 (rear power plug (panel van only)), №12 (rear power outlet (panel van only). Im trying to locate the fuse for interior lights on a 92 chevy g20 conversion van and is not located in the main fuse box under the i have a 1986 chevey van, i would like to know what years the dashboards & instrument panels are. Knowing the layout of the fuse box.

By